

ビニールカーテンとは
ビニールカーテンは、透明ビニール・糸入りビニール・不燃ターポリン・ターポリン等)を加工し、大型レール等に取付けて開閉ができるようになっている製品です。
ビニールカーテンの素材は主に塩化ビニールを使用しています。
ビニールカーテンは多種多様な厚みや仕様などがあり機能も異なります。そのため、お客様のご使用用途によって生地をお選びいただけます。
工場や倉庫内などの室内で使う場合と室外で使う場合とでは生地の厚みも変わってきます。室内であれば薄めの生地でも良いのですが、室外になると厚み(強度)がある生地を使用しないと破損等に繋がります。
ビニールカーテン オプション

ハトメ変更
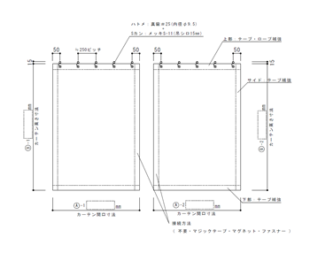
標準はBK#25(真鋳・穴径9.5㎜)。 錆の気になる場所には、ステンレス(SUS#25・穴径9.5㎜)にも変更できます。

Sカン変更
標準はS-11(メッキ・H=30㎜)。 サイズ変更 :S-13(メッキ・H=22㎜)、S-8(メッキ・H=36m) 錆の気になる場所には、ステンレス(SSH30・H=30㎜)にも変更できます。

マジックテープ 部分縫付
開口部等カーテン同士の接続に。25㎜幅・白色・L=200㎜使用。

ラバーマグネット 部分縫付
開口部等カーテン同士の接続、鉄骨の柱との固定に。30㎜幅・L=200㎜使用。

マジックテープ 全長縫付
開口部等カーテン同士の接続に。25㎜幅・白色使用。

ラバーマグネット 全長縫付
開口部等カーテン同士の接続、鉄骨の柱との固定に。30㎜幅使用。

オープンファスナー
開口部等カーテン同士の接続に。#10ビスロン・白色・両面スラス使用。

スリット
カーテンの途中に出入口を設けたいときに。

ハトメ追加
ご使用方法の用途に合わせてハトメを追加いたします。

のり付マジックテープ同梱
柱や壁との固定に。密閉度が増します。

ウェイトチェーン
風や空調などでのカーテンのばたつき防止。通常はメッキ品ですが錆の気になるところではステンレスチェーンにもできます。

三角ピケット
風や空調などでのカーテンのばたつき防止。床、地面との固定に。

帯ピケット
風や空調などでのカーテンのばたつき防止。床、地面との固定に。

スカート
カーテンの下部と床、地面との隙間を調整できます。 風抜けを抑え省エネ効果を高めます。外部での使用の場合は砂や埃の侵入をストップ。 ウェイトチェーンとの併用でさらに効果アップ。

切り欠き
下部やサイドに機械や段差があっても切り欠きをしておけばきれいに納まります。

タッセル
カーテンを使用しないときにスマートに収納。カーテンと共生地使用・マジックテープ付。
ビニールカーテン標準図面 PDFダウンロード
ビニールカーテン生地紹介
透明タイプ
-
透明タイプフラーレ0.3t 材質:塩化ビニールフィルム
仕様:透明タイプ/厚さ:0.3mm
重量:400g/㎡
機能:防炎透明
用途:室内用間仕切り
カラー:透明
特徴:
透明フィルムを使ったビニールシート・フラーレ0.3tは、仕切りはしたいけれど視界は遮りたくないお客様にも使いやすいように、0.3mmの透明なフィルムを使用して作られたものです。特徴としては、厚さ0.3mmなので折りたたんだ時もごわつかず取扱が楽です。室内での使用で安心の防炎機能つき。 -
透明タイプフラーレ0.5t 材質:塩化ビニールフィルム
仕様:透明タイプ/厚さ:0.5mm
重量:660g/㎡
機能:防炎透明
用途:室内用間仕切り
カラー:透明
特徴:
透明フィルムを使ったビニールシート・フラーレ0.5tは、仕切りはしたいけれど視界は遮りたくないお客様にも使いやすいように、0.5mmの透明なフィルムを使用して作られたものです。特徴としては、厚さ0.5mmなので強度(引張、引裂)は0.3mmの約2倍と丈夫、風の当たる場所にはおススメです。室内での仕様で安心の防炎機能つき。 -
透明セイデンクリスタル0.3t 材質:塩化ビニールフィルム
仕様:透明タイプ/厚さ:0.3mm
重量:400g/㎡
機能:防炎透明帯電防止
用途:室内用間仕切り
カラー:透明
特徴:
透明フィルムを使ったビニールシート・セイデンクリスタル0.3tは、仕切りはしたいけれど視界は遮りたくないお客様にも使いやすいように、0.3mmの透明なフィルムを使用して作られたものです。特徴としては、厚さ0.3mmなので折りたたんだ時もこわつかず取り扱いが楽です。フィルムに静電気を帯びにくくする配合をしてあるので、埃をひきよせにくくなっています。室内での使用で安心の防炎機能つき。 -
透明セイデンクリスタル0.5t 材質:塩化ビニールフィルム
仕様:透明タイプ/厚さ:0.5mm
重量:660g/㎡
機能:防炎透明帯電防止
用途:室内用間仕切り
カラー:透明
特徴:
透明フィルムを使ったビニールシート・セイデンクリスタル0.5tは、仕切りはしたいけれど視界は遮りたくないお客様にも使いやすいように、0.5mmの透明なフィルムを使用して作られたものです。特徴としては、厚さ0.5mmなので引張強度は0.3mmの1.5倍、引裂強度は1.2倍と丈夫、風のあたる場所にはおススメです。フィルムに静電気を帯びにくくする配合をしてあるので、埃をひきよせにくくなっています。室内での使用で安心の防炎機能つき。 -
透明セイデンクリスタル ナシジ0.3t 材質:塩化ビニールフィルム
仕様:半透明タイプ/厚さ:0.3mm
重量:400g/㎡
機能:防炎透明
用途:室内用間仕切り
カラー:半透明
特徴:
ナシジフィルムを使ったビニールシート・セイデンクリスタル ナシジ0.3tは、光は入れたいけど、中を見せたくないというお客様にも使いやすいように、0.3mmのナシジなフィルムを使用して作られたものです。特徴としては、スリガラスのようなイメージで間仕切りすることができます。 -
防虫タイプフラーレ0.3t 材質:塩化ビニールフィルム
仕様:透明タイプ/厚さ:0.3mm
重量:400g/㎡
機能:防炎透明防虫
用途:室内用間仕切り
カラー:透明オレンジ
特徴:
透明フィルムを使ったビニールシート・透明防虫フラーレ0.3tは、虫の侵入を防ぎたいお客様にお使いいただけるように透明オレンジのフィルムを使用して作られたものです。オレンジ色のフィルムは虫の感じることのできる光の波長をカットするので光によってくる虫を引き寄せません。薬品を使っての殺虫や忌避効果ではないのでペットや小さいお子様が生地に触れても安心。(注:集光性のある虫以外には効果がありません。)基本機能の防炎ももちろん付いています。 -
防虫タイプフラーレ0.5t 材質:塩化ビニールフィルム
仕様:透明タイプ/厚さ:0.5mm
重量:660g/㎡
機能:防炎透明防虫
用途:室内用間仕切り
カラー:透明オレンジ
特徴:
透明フィルムを使ったビニールシート・透明防虫フラーレ0.5tは、虫の侵入を防ぎたいお客様にお使いいただけるように透明オレンジのフィルムを使用して作られたものです。オレンジ色のフィルムは虫の感じることのできる光の波長をカットするので光によってくる虫を引き寄せません。薬品を使っての殺虫や忌避効果ではないのでペットや小さいお子様が生地に触れても安心。(注:集光性のある虫以外には効果がありません。)基本機能の防炎ももちろん付いています。
糸入りタイプ
-
糸入透明タイプVT-035 材質:塩化ビニールフィルム+ポリエステル基布
仕様:糸入りタイプ/糸目:約17㎜/厚さ:0.35mm
重量:450g/㎡
機能:防炎透明
用途:室内用間仕切り
カラー:透明
特徴:
糸の入ったフィルムを使ったビニールシート・VT-035は、工場や倉庫、店舗で使用されるプロユースからご家庭でのご利用まで幅広い層のお客様にお使いいただけるように、基本的な機能に絞り高品質の商品をお値打ちに提供できるよう作られたものです。特徴としては、透明のフィルムに比べポリエステルの糸を入れることにより強度があがり伸びや破れを防ぎます。厚さも0.35mmと他社と比べて厚いものを使っています。フィルムも透明度の良いものを使用しているので他社品より丈夫できれいです。火災での延焼拡大を抑制する防炎機能つき。 -
糸入透明タイプVT-035T 材質:塩化ビニールフィルム+ポリエステル基布
仕様:糸入りタイプ/糸目:約17㎜/厚さ:0.35mm
重量:450g/㎡
機能:防炎透明帯電防止
用途:室内用間仕切り
カラー:透明
特徴:
糸の入ったフィルムを使ったビニールシート・VT-035Tは、埃によるカーテンの汚れを気にされるお客様にお使いいただけるように、VT-035をベースに帯電防止機能を追加しました。塩ビ樹脂は静電気を帯びやすい性質を持っており、静電気が埃を引き寄せてしまいます。VT-035Tは帯電防止剤を配合しているので、静電気を帯びにくく埃も引き寄せにくくなっています。基本性能はVT-035を引き継いでいるので、強度、厚さ、透明度共VT-035と同等、防炎機能も付いています。 -
糸入透明タイプVT-035C 材質:塩化ビニールフィルム+ポリエステル基布
仕様:糸入りタイプ/糸目:約17㎜/厚さ:0.35mm
重量:440g/㎡
機能:防炎透明耐寒(冷蔵庫・冷凍庫用)
用途:室内用間仕切り
カラー:透明
特徴:
糸の入ったフィルムを使ったビニールシート・VT-035Cは、寒冷地の防寒や冷凍庫・冷蔵庫から冷気の流出を防ぎたいお客様にも使いやすいように、寒い場所でも固くなりにくいフィルムを使用して作られたものです。通常のフィルムを寒いところで使用すると樹脂が固くなり開け閉めがしづらくなったり、割れたりしますが、VT-035Cは樹脂に柔軟配合をしてあるので-30℃の条件下で使用しても異常ありません。基本機能の防炎も付いています。 -
糸入透明タイプVT-035B 材質:塩化ビニールフィルム+ポリエステル基布
仕様:糸入りタイプ/糸目:約17㎜/厚さ:0.35mm
重量:435g/㎡
機能:防炎透明帯電防止防虫
用途:室内用間仕切り
カラー:透明オレンジ
特徴:
糸の入ったフィルムを使ったビニールシート・VT-035Bは、虫の侵入を防ぎたいお客様にお使いいただけるように透明オレンジのフィルムを使用して作られたものです。オレンジ色のフィルムは虫の感じることのできる光の波長をカットするので光によってくる虫を引き寄せません。薬品を使っての殺虫や忌避効果ではないのでペットや小さいお子様が生地に触れても安心。(注:集光性のある虫以外には効果がありません。)帯電防止の機能も付いているので埃の付着も抑えます。基本機能の防炎ももちろん付いています。 -
糸入透明タイプVT-038 材質:塩化ビニールフィルム+ポリエステル基布
仕様:糸入りタイプ/糸目:約5㎜/厚さ:0.38mm
重量:316g/㎡
機能:防炎透明
用途:室内用間仕切り
カラー:透明
特徴:
糸の入ったフィルムを使ったビニールシート・VT-038は、強度と軽さをご要望のお客様の声にこたえるために、ポリエステルの糸を細かく配置して作られたものです。糸目を5mm角にすることで強度はクラスナンバー1。樹脂量も抑えることができたので重量も最軽量です。目が細かいので反対側の見通しはあまりよくありませんが、工場の開発部門などで人や物の存在は確認できてもはっきりとは見えては困るような場所の間仕切りに最適。防炎機能つき。 -
糸入透明タイプVT-055 材質:塩化ビニールフィルム+ポリエステル基布
仕様:糸入りタイプ/糸目:約17㎜/厚さ:0.55mm
重量:680g/㎡
機能:防炎透明屋外
用途:室外用間仕切り
カラー:透明
特徴:
糸の入ったフィルムを使ったビニールシート・VT-055は、強度と視認性をご希望のお客様におすすめです。表面フィルムのボリュームを0.55mmに上げることで樹脂厚により強度を上げています。透明性の良いフィルムなので樹脂が厚くなっても視認性バッチリ。樹脂量が多いので紫外線による樹脂の劣化にもより長く抵抗することができます。外部に接した場所の間仕切りにもお使いいただけます。基本機能の防炎機能つき。 -
糸入透明タイプVT-058T 材質:塩化ビニールフィルム+ポリエステル基布
仕様:糸入りタイプ/糸目:約5㎜/厚さ:0.58mm
重量:573g/㎡
機能:防炎透明帯電防止屋外
用途:室外用間仕切り
カラー:透明
特徴:
糸の入ったフィルムを使ったビニールシート・VT-058Tは、強度と使いやすさがベストマッチさせた生地です。ポリエステルの糸を5mm角に配置し強度を上げています。樹脂もVT-038より厚くすることで紫外線による劣化に対してもより長くお使いいただけます。厚さも0.58mmとそれほど厚くないので折りたたみしたときのゴワツキ感も少なくタタミしろも小さく済みます。静電気でほこりをよせつけない帯電防止と基本の防炎機能つき。 -
糸入透明耐熱タイプ0.46t 材質:塩化ビニールフィルム+ポリエステル基布
仕様:糸入りタイプ/糸目:約4㎜/厚さ:0.46mm
重量:360g/㎡
機能:防炎透明
用途:室内用間仕切り
カラー:透明
特徴:
糸の入ったフィルムを使ったビニールシート・透明糸入り耐熱タイプ0.46tは、透明のフィルムに比べポリエステルの糸を入れることにより強度があがり伸びや破れを防ぎます。特徴としては、120℃の環境下においても使用が可能な優れた耐熱性を持ち燃焼した際も、溶融せずにかたちを保ちます。 -
糸入透明タイプMS-1000F 材質:塩化ビニールフィルム+ポリエステル基布
仕様:糸入りタイプ/糸目:約3㎜/厚さ:1.05mm
重量:1100g/㎡
機能:防炎透明遮音
用途:室内用間仕切り
カラー:半透明
特徴:
糸の入ったフィルムを使ったビニールシート・MS-1000Fは、採光のできる遮音シートです。特殊な樹脂配合と高い質量により透過する音を遮ります。厚い樹脂と密に配置された糸により強度も格段に高くなっているので、風あたりの強い場所での使用も可能です。工場やお店の音は外に響かないように遮りたいけど外からの光は遮りたくない。というお客様にぴったりです。防炎機能つき。 -
糸入透明タイプET-1600 材質:塩化ビニールフィルム+ポリエステル基布
仕様:糸入りタイプ/糸目:約5㎜/厚さ:0.8mm
重量:840g/㎡
機能:防炎透明屋外
用途:室外用間仕切り
カラー:透明
特徴:
糸の入ったフィルムを使ったビニールシート・ET-1600は、屋外での使用により紫外線による生地の劣化を遅らせるようUVカット加工がしてあります。又、水が糸と樹脂の隙間に入り込むとカビや生地の剥離の原因となりますが吸水防止加工がしてあるので安心。表面はフッ素による防汚加工がしてあるので汚れも付きにくくなっています。もちろん防炎機能つき。 -
糸入透明タイプサーニティW 材質:塩化ビニールフィルム+ポリエステル基布
仕様:糸入りタイプ/糸目:約7㎜/厚さ:1.02mm
重量:910g/㎡
機能:防炎透明屋外
用途:室外用間仕切り
カラー:透明
特徴:
糸の入ったフィルムを使ったビニールシート・サーニティWは屋外での使用を想定し、樹脂が紫外線で日焼けし黄色く変色するのを防ぐ配合を施した高耐候タイプの生地です。又、外観的にも特徴のある縦、横、斜めに配置された糸は多方向から加わる力にも抵抗することができるよう挟み込まれています。その糸には吸水防止加工がしてあり、生地の隙間から毛細管現象によりに水が入り込まないように工夫されています。生地の表面はフッ素を使い汚れがつきにくい処理がされています。防炎機能つき。
ターポリンタイプ
-
ターポリン/ホワイト 材質:塩化ビニールフィルム+ポリエステル基布
仕様:不透明カラータイプ/厚さ:0.35mm
重量:440g/㎡
機能:防炎
用途:室内用間仕切り
カラー:ホワイト
特徴:
ターポリンを使ったビニールシート・ターポリン0.35tは、カーテンで直射日光や視線を遮りたいお客様にも使いやすいように、不透明のカラーターポリン21色をラインナップしています。万が一着火しても燃え広がらない防炎機能つき。 -
ターポリン/クリアホワイト 材質:塩化ビニールフィルム+ポリエステル基布
仕様:不透明カラータイプ/厚さ:0.35mm
重量:440g/㎡
機能:防炎
用途:室内用間仕切り
カラー:クリアホワイト
特徴:
ターポリンを使ったビニールシート・ターポリン0.35tは、カーテンで直射日光や視線を遮りたいお客様にも使いやすいように、不透明のカラーターポリン21色をラインナップしています。万が一着火しても燃え広がらない防炎機能つき。 -
ターポリン/アイボリー 材質:塩化ビニールフィルム+ポリエステル基布
仕様:不透明カラータイプ/厚さ:0.35mm
重量:440g/㎡
機能:防炎
用途:室内用間仕切り
カラー:アイボリー
特徴:
ターポリンを使ったビニールシート・ターポリン0.35tは、カーテンで直射日光や視線を遮りたいお客様にも使いやすいように、不透明のカラーターポリン21色をラインナップしています。万が一着火しても燃え広がらない防炎機能つき。 -
ターポリン/イエロー 材質:塩化ビニールフィルム+ポリエステル基布
仕様:不透明カラータイプ/厚さ:0.35mm
重量:440g/㎡
機能:防炎
用途:室内用間仕切り
カラー:イエロー
特徴:
ターポリンを使ったビニールシート・ターポリン0.35tは、カーテンで直射日光や視線を遮りたいお客様にも使いやすいように、不透明のカラーターポリン21色をラインナップしています。万が一着火しても燃え広がらない防炎機能つき。 -
ターポリン/オレンジ 材質:塩化ビニールフィルム+ポリエステル基布
仕様:不透明カラータイプ/厚さ:0.35mm
重量:440g/㎡
機能:防炎
用途:室内用間仕切り
カラー:オレンジ
特徴:
ターポリンを使ったビニールシート・ターポリン0.35tは、カーテンで直射日光や視線を遮りたいお客様にも使いやすいように、不透明のカラーターポリン21色をラインナップしています。万が一着火しても燃え広がらない防炎機能つき。 -
ターポリン/ダンジェリンオレンジ 材質:塩化ビニールフィルム+ポリエステル基布
仕様:不透明カラータイプ/厚さ:0.35mm
重量:440g/㎡
機能:防炎
用途:室内用間仕切り
カラー:ダンジェリンオレンジ
特徴:
ターポリンを使ったビニールシート・ターポリン0.35tは、カーテンで直射日光や視線を遮りたいお客様にも使いやすいように、不透明のカラーターポリン21色をラインナップしています。万が一着火しても燃え広がらない防炎機能つき。 -
ターポリン/レッド 材質:塩化ビニールフィルム+ポリエステル基布
仕様:不透明カラータイプ/厚さ:0.35mm
重量:440g/㎡
機能:防炎
用途:室内用間仕切り
カラー:レッド
特徴:
ターポリンを使ったビニールシート・ターポリン0.35tは、カーテンで直射日光や視線を遮りたいお客様にも使いやすいように、不透明のカラーターポリン21色をラインナップしています。万が一着火しても燃え広がらない防炎機能つき。 -
ターポリン/ライトグリーン 材質:塩化ビニールフィルム+ポリエステル基布
仕様:不透明カラータイプ/厚さ:0.35mm
重量:440g/㎡
機能:防炎
用途:室内用間仕切り
カラー:ライトグリーン
特徴:
ターポリンを使ったビニールシート・ターポリン0.35tは、カーテンで直射日光や視線を遮りたいお客様にも使いやすいように、不透明のカラーターポリン21色をラインナップしています。万が一着火しても燃え広がらない防炎機能つき。 -
ターポリン/ワカクサ 材質:塩化ビニールフィルム+ポリエステル基布
仕様:不透明カラータイプ/厚さ:0.35mm
重量:440g/㎡
機能:防炎
用途:室内用間仕切り
カラー:ワカクサ
特徴:
ターポリンを使ったビニールシート・ターポリン0.35tは、カーテンで直射日光や視線を遮りたいお客様にも使いやすいように、不透明のカラーターポリン21色をラインナップしています。万が一着火しても燃え広がらない防炎機能つき。 -
ターポリン/グリーン 材質:塩化ビニールフィルム+ポリエステル基布
仕様:不透明カラータイプ/厚さ:0.35mm
重量:440g/㎡
機能:防炎
用途:室内用間仕切り
カラー:グリーン
特徴:
ターポリンを使ったビニールシート・ターポリン0.35tは、カーテンで直射日光や視線を遮りたいお客様にも使いやすいように、不透明のカラーターポリン21色をラインナップしています。万が一着火しても燃え広がらない防炎機能つき。 -
ターポリン/ダークグリーン 材質:塩化ビニールフィルム+ポリエステル基布
仕様:不透明カラータイプ/厚さ:0.35mm
重量:440g/㎡
機能:防炎
用途:室内用間仕切り
カラー:ダークグリーン
ターポリンを使ったビニールシート・ターポリン0.35tは、カーテンで直射日光や視線を遮りたいお客様にも使いやすいように、不透明のカラーターポリン21色をラインナップしています。万が一着火しても燃え広がらない防炎機能つき。 -
ターポリン/ライトブルー 材質:塩化ビニールフィルム+ポリエステル基布
仕様:不透明カラータイプ/厚さ:0.35mm
重量:440g/㎡
機能:防炎
用途:室内用間仕切り
カラー:ライトブルー
特徴:
ターポリンを使ったビニールシート・ターポリン0.35tは、カーテンで直射日光や視線を遮りたいお客様にも使いやすいように、不透明のカラーターポリン21色をラインナップしています。万が一着火しても燃え広がらない防炎機能つき。 -
ターポリン/ブルー 材質:塩化ビニールフィルム+ポリエステル基布
仕様:不透明カラータイプ/厚さ:0.35mm
重量:440g/㎡
機能:防炎
用途:室内用間仕切り
カラー:ブルー
特徴:
ターポリンを使ったビニールシート・ターポリン0.35tは、カーテンで直射日光や視線を遮りたいお客様にも使いやすいように、不透明のカラーターポリン21色をラインナップしています。万が一着火しても燃え広がらない防炎機能つき。 -
ターポリン/ネイビーブルー 材質:塩化ビニールフィルム+ポリエステル基布
仕様:不透明カラータイプ/厚さ:0.35mm
重量:440g/㎡
機能:防炎
用途:室内用間仕切り
カラー:ネイビーブルー
特徴:
ターポリンを使ったビニールシート・ターポリン0.35tは、カーテンで直射日光や視線を遮りたいお客様にも使いやすいように、不透明のカラーターポリン21色をラインナップしています。万が一着火しても燃え広がらない防炎機能つき。 -
ターポリン/ライトグレー 材質:塩化ビニールフィルム+ポリエステル基布
仕様:不透明カラータイプ/厚さ:0.35mm
重量:440g/㎡
機能:防炎
用途:室内用間仕切り
カラー:ライトグレー
特徴:
ターポリンを使ったビニールシート・ターポリン0.35tは、カーテンで直射日光や視線を遮りたいお客様にも使いやすいように、不透明のカラーターポリン21色をラインナップしています。万が一着火しても燃え広がらない防炎機能つき。 -
ターポリン/グレー 材質:塩化ビニールフィルム+ポリエステル基布
仕様:不透明カラータイプ/厚さ:0.35mm
重量:440g/㎡
機能:防炎
用途:室内用間仕切り
カラー:グレー
特徴:
ターポリンを使ったビニールシート・ターポリン0.35tは、カーテンで直射日光や視線を遮りたいお客様にも使いやすいように、不透明のカラーターポリン21色をラインナップしています。万が一着火しても燃え広がらない防炎機能つき。 -
ターポリン/シルバー 材質:塩化ビニールフィルム+ポリエステル基布
仕様:不透明カラータイプ/厚さ:0.35mm
重量:440g/㎡
機能:防炎
用途:室内用間仕切り
カラー:シルバー
特徴:
ターポリンを使ったビニールシート・ターポリン0.35tは、カーテンで直射日光や視線を遮りたいお客様にも使いやすいように、不透明のカラーターポリン21色をラインナップしています。万が一着火しても燃え広がらない防炎機能つき。 -
ターポリン/ピンク 材質:塩化ビニールフィルム+ポリエステル基布
仕様:不透明カラータイプ/厚さ:0.35mm
重量:440g/㎡
機能:防炎
用途:室内用間仕切り
カラー:ピンク
特徴:
ターポリンを使ったビニールシート・ターポリン0.35tは、カーテンで直射日光や視線を遮りたいお客様にも使いやすいように、不透明のカラーターポリン21色をラインナップしています。万が一着火しても燃え広がらない防炎機能つき。 -
ターポリン/ブラウン 材質:塩化ビニールフィルム+ポリエステル基布
仕様:不透明カラータイプ/厚さ:0.35mm
重量:440g/㎡
機能:防炎
用途:室内用間仕切り
カラー:ブラウン
特徴:
ターポリンを使ったビニールシート・ターポリン0.35tは、カーテンで直射日光や視線を遮りたいお客様にも使いやすいように、不透明のカラーターポリン21色をラインナップしています。万が一着火しても燃え広がらない防炎機能つき。 -
ターポリン/マルーン 材質:塩化ビニールフィルム+ポリエステル基布
仕様:不透明カラータイプ/厚さ:0.35mm
重量:440g/㎡
機能:防炎
用途:室内用間仕切り
カラー:マルーン
ターポリンを使ったビニールシート・ターポリン0.35tは、カーテンで直射日光や視線を遮りたいお客様にも使いやすいように、不透明のカラーターポリン21色をラインナップしています。万が一着火しても燃え広がらない防炎機能つき。 -
ターポリン/ブラック 材質:塩化ビニールフィルム+ポリエステル基布
仕様:不透明カラータイプ/厚さ:0.35mm
重量:440g/㎡
機能:防炎
用途:室内用間仕切り
カラー:ブラック
特徴:
ターポリンを使ったビニールシート・ターポリン0.35tは、カーテンで直射日光や視線を遮りたいお客様にも使いやすいように、不透明のカラーターポリン21色をラインナップしています。万が一着火しても燃え広がらない防炎機能つき。
不燃ターポリンタイプ
-
不燃ターポリンYM4200FDSW/スノーホワイト 材質:塩化ビニールフィルム+ガラス基布
仕様:不燃不透明タイプ/厚さ:0.42mm
重量:600g/㎡
機能:防炎
用途:室内用間仕切り
カラー:スノーホワイト
特徴:
不燃ターポリンを使ったビニールシート・YM4200FDは、消防等により不燃材の使用要求をされた場所にお使いいただけるように、国土交通大臣により認可された不燃材料を使用して製作するカーテンです。生地の組成はガラス繊維の基布に両面塩ビ貼付です。火災等で火種が生地に乗った場合、基布のガラス繊維により反対側へ貫通することを防ぎます(20分間)。YM4200FDにはスノーホワイト、ライトグレー、ライトアイボリーの3色のラインナップがあります。 -
不燃ターポリンYM4200FDLI/ライトアイボリー 材質:塩化ビニールフィルム+ガラス基布
仕様:不燃不透明タイプ/厚さ:0.42mm
重量:600g/㎡
機能:防炎
用途:室内用間仕切り
カラー:ライトアイボリー
特徴:
不燃ターポリンを使ったビニールシート・YM4200FDは、消防等により不燃材の使用要求をされた場所にお使いいただけるように、国土交通大臣により認可された不燃材料を使用して製作するカーテンです。生地の組成はガラス繊維の基布に両面塩ビ貼付です。火災等で火種が生地に乗った場合、基布のガラス繊維により反対側へ貫通することを防ぎます(20分間)。YM4200FDにはスノーホワイト、ライトグレー、ライトアイボリーの3色のラインナップがあります。 -
不燃ターポリンYM4200FDLG/ライトグレー 材質:塩化ビニールフィルム+ガラス基布
仕様:不燃不透明タイプ/厚さ:0.42mm
重量:600g/㎡
機能:防炎
用途:室内用間仕切り
カラー:ライトグレー
特徴:
不燃ターポリンを使ったビニールシート・YM4200FDは、消防等により不燃材の使用要求をされた場所にお使いいただけるように、国土交通大臣により認可された不燃材料を使用して製作するカーテンです。生地の組成はガラス繊維の基布に両面塩ビ貼付です。火災等で火種が生地に乗った場合、基布のガラス繊維により反対側へ貫通することを防ぎます(20分間)。YM4200FDにはスノーホワイト、ライトグレー、ライトアイボリーの3色のラインナップがあります。 -
不燃ターポリン/ブルークリスタル 材質:塩化ビニールフィルム+ガラス基布
仕様:不燃半透明タイプ/厚さ:0.27mm
重量:333g/㎡
機能:防炎透明
用途:室内用間仕切り
カラー:半透明
特徴:
不燃ターポリンを使ったビニールシート・ブルークリスタルは、消防等により不燃材の使用要求をされた場所にお使いいただけるように、国土交通大臣により認可された不燃材料を使用して製作するカーテンです。生地の組成はガラス繊維の基布に両面塩ビ貼付です。火災等で火種が生地に乗った場合、基布のガラス繊維により反対側へ貫通することを防ぎます(20分間)。色は半透明ブルーで光を通すので暗くなることはありません。 -
不燃ターポリン/クリアブライト 材質:塩化ビニールフィルム+ガラス基布
仕様:不燃半透明タイプ/厚さ:0.27mm
重量:333g/㎡
機能:防炎透明
用途:室内用間仕切り
カラー:半透明
特徴:
不燃ターポリンを使ったビニールシート・クリアブライトは、消防等により不燃材の使用要求をされた場所にお使いいただけるように、国土交通大臣により認可された不燃材料を使用して製作するカーテンです。生地の組成はガラス繊維の基布に両面塩ビ貼付です。火災等で火種が生地に乗った場合、基布のガラス繊維により反対側へ貫通することを防ぎます(20分間)。色は半透明ホワイトで光を通すので暗くなることはありません。 -
不燃ターポリンCG-55 材質:塩化ビニールフィルム+ガラス基布
仕様:不燃半透明タイプ/厚さ:0.27mm
重量:370g/㎡
機能:防炎透明
用途:室内用間仕切り
カラー:半透明
特徴:
不燃ターポリンを使ったビニールシート・CG-55は、消防等により不燃材の使用要求をされた場所にお使いいただけるように、国土交通大臣により認可された不燃材料を使用して製作するカーテンです。生地の組成はガラス繊維の基布に両面塩ビ貼付です。火災等で火種が生地に乗った場合、基布のガラス繊維により反対側へ貫通することを防ぎます(20分間)。色は半透明乳白色で光を通すので暗くなることはありません。
0120-221-015

標準図面(PDF)
2枚用図面(PDF)
複数枚用図面(PDF)












































シンテックのテント生地は原反販売・ロール販売、カット販売まで可能
シンテックのテント生地はシート加工も可能
